Mūsų svetainėje naudojami slapukai (angl. cookies). Jeigu sutinkate su slapukų naudojimu, paspauskite „sutinku” ir toliau tęskite naršymą.
| Modelis: |
PLURY |
|||||||||||||
|
W2 60.0 8.0 - 14.0 T |
W2 80.0 10.0 - 15.0 T |
W2 100.0 12.0 - 18.0 T |
W2 120.0 14.0 - 20.0 T |
W2 150.0 18.0 - 35.0 |
W2 180.0 20.0 - 40.0 T |
|||||||||
| Vibracijos greitis (aps/min): | 2133 | 2148 | 2143 | 2133 | 2148 | 2143 | 2143 | 2149 | 2157 | 2143 | 2149 | 2157 | 2143 | 2143 |
| Išcentrinė jėga (kN): | 60 | 60 | 60 | 80 | 80 | 80 | 100 | 100 | 100 | 120 | 120 | 120 | 150 | 180 |
| Dažnis (Hz): | 36 | 36 | 36 | 36 | 36 | 36 | 36 | 36 | 36 | 36 | 36 | 36 | 36 | 36 |
| Pavaros tipas: | Hidraulinė | Hidraulinė | Hidraulinė | Hidraulinė | Hidraulinė | Hidraulinė | ||||||||
| Hidraulinio variklio darbinis tūris (cc): | 32 | 43 | 47 | 32 | 43 | 47 | 43 | 47 | 51 | 43 | 47 | 51 | 63 | 63 |
| Rekomenduojamas hidraulinio siurblio našumas (l/min): | 69 | 93 | 101 | 69 | 93 | 101 | 93 | 100 | 110 | 93 | 100 | 110 | 135 | 135 |
| Tepalo slėgis (bar): | 200 - 220 | 200 - 220 | 200 - 220 | 200 - 220 | 250 - 300 | 250 - 300 | ||||||||
| Atgalinis tepalo slėgis (bar): | Iki 15 | Iki 15 | Iki 15 | Iki 15 | Iki 15 | Iki 15 | ||||||||
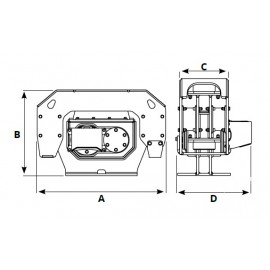
| Išmatavimas "A" (mm): | 970 | 970 | 970 | 970 | 970 | 970 | 1030 | 1030 | 1030 | 1030 | 1030 | 1030 | 1220 | 1220 |
| Išmatavimas "B" (mm): | 650 | 650 | 650 | 650 | 650 | 650 | 735 | 735 | 735 | 735 | 735 | 735 | 920 | 920 |
| Išmatavimas "C" (mm): | 330 | 330 | 330 | 330 | 330 | 330 | 395 | 395 | 395 | 395 | 395 | 395 | 440 | 440 |
| Išmatavimas "D" (mm): | 490 | 490 | 490 | 490 | 490 | 490 | 560 | 560 | 560 | 560 | 560 | 560 | 710 | 710 |
| Masė (kg): | 353 | 353 | 353 | 362 | 362 | 362 | 525 | 525 | 525 | 533 | 533 | 533 | 827 | 837 |
| Ekskavatoriaus masė (t): | 8 - 14 | 10 - 15 | 12 - 18 | 14 - 20 | 18 - 35 | 20 - 40 | ||||||||
| Kaina (Eur): | 8100 | 8100 | 8100 | 10600 | 10600 | 10600 | 14500 | 14500 | 14500 | 16000 | 16000 | 16000 | 18600 | 21400 |
| ↓ PAPILDOMA KOMPLEKTACIJA ↓ | ||||||||||||||
| Hidraulinė žarna drenažui, tepalo slėgis iki 15 bar, kaina (Eur): | 76 | 76 | 76 | 76 | 76 | 76 | 76 | 76 | 76 | 76 | 76 | 76 | 76 | 76 |
| Prikabinimo mechanizmas su greito prikabinimo funkcija, kaina (Eur): | 860 | 860 | 860 | 860 | 860 | 860 | 1100 | 1100 | 1100 | 1100 | 1100 | 1100 | 1750 | 1750 |
| Prikabinimo mechanizmas tvirtinamas kaiščiais, kaina (Eur): | 710 | 710 | 710 | 710 | 710 | 710 | 910 | 910 | 910 | 910 | 910 | 910 | 1750 | 1750 |
| Prikabinimo mechanizmas tvirtinimas varžtais, kaina (Eur): | 250 | 250 | 250 | 250 | 250 | 250 | 385 | 385 | 385 | 385 | 385 | 385 | 580 | 580 |
| Laikiklis vibracinės sistemos montavimui ant savaeigio krautuvo, kaina (Eur): | 2400 | 2400 | 2400 | 2400 | 2400 | 2400 | - | - | - | - | - | - | - | - |
| Prikabinimo mechanizmas savaeigiam krautuvui, montuojamas ant laikiklio, kaina (Eur): | 670 | 670 | 670 | 670 | 670 | 670 | - | - | - | - | - | - | - | - |
| Prikabinimo mechanizmas priedams, su greito prikabinimo funkcija "TOK", kaina (Eur): | 2250 | 2250 | 2250 | 2250 | 2250 | 2250 | 2250 | 2250 | 2250 | 2250 | 2250 | 2250 | 2250 | 2250 |
| Prikabinimo mechanizmas priedams "TOK", kaina (Eur): | 1000 | 1000 | 1000 | 1000 | 1000 | 1000 | 1000 | 1000 | 1000 | 1000 | 1000 | 1000 | 1000 | 1000 |
| Rotatorius 120°, valdomas mechaniniu būdu, kaina (Eur): | - | - | - | - | - | - | - | - | - | - | - | - | 4400 | 4400 |
| Rotatorius 360°, valdomas hidrauliniu būdu, negalima montuoti su hidrauliniu būdu valdomais priedais, kaina (Eur): | 8150 | 8150 | 8150 | 8150 | 8150 | 8150 | 8200 | 8200 | 8200 | 8200 | 8200 | 8200 | 12000 | 12000 |
| Rotatorius 320°, valdomas hidrauliniu būdu, galima montuoti su hidrauliniu būdu valdomais priedais, kaina (Eur): | 5100 | 5100 | 5100 | 5100 | 5100 | 5100 | 5400 | 5400 | 5400 | 5400 | 5400 | 5400 | 6950 | 6950 |
Suteikiama 1 metų garantija.